Aeronautical engineering services provider accelerates its systems design process with Simcenter Amesim
Aeronautical engineering services provider accelerates its systems design process with Simcenter Amesim
Siemens Digital Industries Software solution helps Aeroconseil enhance flight control actuation system performance
What really differentiates Simcenter Amesim from other tools is its prebuilt and validated component models that allow design engineers to significantly reduce component modeling and validation efforts.
Franck Dietrich,Tools, Simulation and Integration Team Leader, AKKA Technologies Group Aeroconseil - AKKA Technologies Group
Assuming broader responsibilities
According to a long-term forecast published by Boeing entitled, “Current Market Outlook 2013-2032,” the in-service commercial aircraft fleet will double in size from 20,310 airplanes in 2013 to 41,240 by 2032. More than 35,000 new fuel-efficient airplanes will be needed to meet airline industry needs, including 41 percent that will replace older models.
Ten years ago, the aerospace market was dominated by two aircraft giants. That situation is changing as new manufacturers in China, Russia, Japan and Brazil are as eager to take their share of the growing worldwide market. These market entrants expect more support from their component suppliers, so they have no choice but to expand their competencies to encompass entire aircraft systems. Therefore, component suppliers are more and more involved in system configuration and integration as they take more responsibility and share the inherent risks of an increasingly shorter development cycle. In this context, simulation becomes an indispensable part of the development process, not only for the component and system design, but also for architecture configuration, systems integration and validation.
Optimizing the systems design process
Aeroconseil specializes in high value-added services throughout the entire aircraft lifecycle, from engineering to operations. The company supports aircraft and rotorcraft manufacturers such as Airbus, Bombardier, Mitsubishi Aircraft Corporation and Airbus Helicopters; system and equipment suppliers such as Safran Group, Liebherr Aerospace and Thales Group, as well as airline companies, aircraft owners, lessors and maintenance centers.
Aeroconseil has developed strong expertise in aircraft systems, including electro-hydro-mechanical equipment and systems, avionics, electronics and embedded software. The company’s design work is focused on systems design, integration and validation, and simulation is considered an important catalyst, enabling Aeroconseil to optimize its systems design process.
Three years ago Aeroconseil had to determine which tools would best enable their engineers to accurately represent and easily connect multi-domain systems as well as to analyze the behavior of these systems when they were integrated into the airplane. Another critical concern was having the capability of exporting models into a broader simulation environment.
To meet these challenges, Aeroconseil decided to add Simcenter Amesim™ software from product lifecycle management (PLM) specialist Siemens Digital Industries Software to its toolkit. Not only was this platform already well-implemented at multiple aircraft and equipment manufacturers, but it would enable Aeroconseil to analyze multi-domain systems and easily perform co-simulation.
Benchmarking Simcenter Amesim
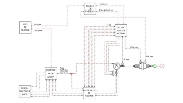
Electro-hydro-mechanical systems stood out as the first potential application area for Simcenter Amesim, so Aeroconseil chose the flight control actuation system as a starting point for its work with the Siemens Digital Industries Software solution. The company wanted to make sure that Simcenter Amesim met systems integration requirements with a view to extending its use to other systems.
The flight control and guidance systems department at Aeroconseil is in charge of the development of fly-by-wire flight control and autopilot systems. Involved in different design project phases from pre-design to the first validation phase at the beginning of the second part of the V-cycle, this department was assigned to carry out the pilot Simcenter Amesim project.
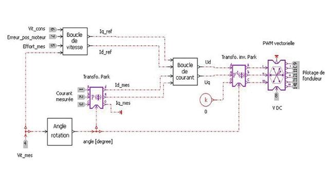
The goal of the project was not only to model different types of actuators, such as hydraulic, electro-hydraulic and electro-mechanical, but also to connect these technologies and analyze the behavior and system performance once integrated into aircraft.
Providing systems design and integration
Aeroconseil chose Simcenter Amesim for its multi-domain modeling capabilities because that is very important for the company’s systems design and integration work. The scripting capabilities of Simcenter Amesim, which enable Aeroconseil’s specialists to run simulation batches, are also critical.
“What really differentiates Simcenter Amesim from other tools is its prebuilt and validated component models that allow design engineers to significantly reduce component modeling and validation efforts,” says Franck Dietrich, the tools, simulation and integration team leader at Aeroconseil. “The Simcenter Amesim industry-specific libraries are also an advantage.”
Dietrich notes, “With its physics-based modeling, Simcenter Amesim is organized in a way that is very close to real systems, unlike other tools in which the representations of real systems are less intuitive.”
In order to fully exploit advantages for systems integration offered by Simcenter Amesim, Aeroconseil is currently studying interoperability issues so it can interface Simcenter Amesim with other simulation platforms. Another key issue is to choose an adequate level of modeling for a better tradeoff between accuracy and computer processing unit (CPU) time when running complex simulations. To accomplish that, Aeroconseil is investigating which parameters can be sacrificed to adapt the same model according to the goal of a specific analysis.
Setting ambitious common goals
“Our cooperation with Siemens Digital Industries Software allows us to strengthen our expertise in multi-domain systems simulation, acquire new competencies, provide our customers with innovative solutions and address new markets,” says Didier Dorne, business manager at Aeroconseil. “The combination of Siemens Digital Industries Software’s and Aeroconseil’s competencies is the main added value of this collaboration for our customers.
“Thanks to its strong expertise in aircraft systems design, integration and validation, Aeroconseil’s positioning is mainly focused on the upper part of the V-cycle. In addition to advanced component design capabilities offered in Simcenter Amesim, Siemens Digital Industries Software is currently strengthening its multi-domain systems integration offer. Our common goal is to combine industry expertise and the best-in-class design and validation tool.”
“With Simcenter Amesim being employed by leading aircraft market players, Siemens Digital Industries Software and Aeroconseil’s challenge today is to overcome systems integration issues by developing model consistency throughout the development cycle, and by allowing engineers to easily adapt them to different design phases and various types of studies,” adds Dietrich.
Moreover, since mastering the certification process is one of Aeroconseil’s competitive advantages, another potential area of cooperation could be the use of Simcenter Amesim when preparing certification documents.


